Rtl Sdr Block Diagram / Digital Signal Processing In Radio Astronomy By Wvurail / Templates & tools to make block diagrams:
Get link
Facebook
X
Pinterest
Email
Other Apps
Rtl Sdr Block Diagram / Digital Signal Processing In Radio Astronomy By Wvurail / Templates & tools to make block diagrams:. His post first goes through the basic communications theory and mathematical concepts required to understand the technical concepts behind software defined radio. An oscillator block, a frequency control, an audio. On this page we will attempt to list, categorize and provide a brief overview of each software program. Convert rtl_sdr recordings into wav Other sdr receiver hardware can be substituted easily.
These are my results for mar 6th. Following the antenna comes the custom high efficiency lna with special saw filter tuned for the goes signal. Lucidchart's block diagram software is quick & easy to use. It may interest ham radio enthusiasts, hardware hackers, tinkerers and anyone interested in rf. My aim is to help you get started and hopefully
Rtl Sdr V3 Teardown And Analysis Onelectrontech from www.onelectrontech.com A traditional circuit block diagram for a simple sine wave oscillator with audio output, would consist of series of blocks linked by lines; His post first goes through the basic communications theory and mathematical concepts required to understand the technical concepts behind software defined radio. Templates & tools to make block diagrams: I used a $20 nooelec nesdr mini sdr usb dongle to capture the i/q data for part 1 above. This comprehensive course is comprised of following sections to cover all the important aspects of 'software defined radio' environment: These are my results for mar 6th. Dsp algorithms are used to implement the receiver design and to demodulate the rf signal into baseband signal. The file containing block diagram 'raspberrypi_external_mode' is shadowed by a file of the same name higher on the matlab path.
Dsp algorithms are used to implement the receiver design and
Press question mark to learn the rest of the keyboard shortcuts Other sdr receiver hardware can be substituted easily. If you know of a program that is missing please leave. Dsp algorithms are used to implement the receiver design and List the technical specifications in a table: His post first goes through the basic communications theory and mathematical concepts required to understand the technical concepts behind software defined radio. I used a $20 nooelec nesdr mini sdr usb dongle to capture the i/q data for part 1 above. Dsp algorithms are used to implement the receiver design and to demodulate the rf signal into baseband signal. Frequency range, stability, and phase noise bandwidth number of rx and tx paths This comprehensive course is comprised of following sections to cover all the important aspects of 'software defined radio' environment: An oscillator block, a frequency control, an audio. Also featuring airspy, hackrf, fcd, sdrplay and more. This receiver is based on two ic's:
This comprehensive course is comprised of following sections to cover all the important aspects of 'software defined radio' environment: For part 2 of this assignment, research these chips and draw a block diagram of the nooelec nesdr mini sdr usb dongle. The quadrature sampling detector is nothing more than a set of analog switches that are Other sdr receiver hardware can be substituted easily. Also featuring airspy, hackrf, fcd, sdrplay and more.
Rf Downconverters For Rtl Sdr Receiver Equipment Northern Utah Websdr from www.sdrutah.org These are my results for mar 6th. A traditional circuit block diagram for a simple sine wave oscillator with audio output, would consist of series of blocks linked by lines; I used a $20 nooelec nesdr mini sdr usb dongle to capture the i/q data for part 1 above. On this page we will attempt to list, categorize and provide a brief overview of each software program. It can receive signals from 25mhz to about 1700mhz. Dsp algorithms are used to implement the receiver design and Also featuring airspy, hackrf, fcd, sdrplay and more. Lucidchart's block diagram software is quick & easy to use.
This receiver is based on two ic's:
It may interest ham radio enthusiasts, hardware hackers, tinkerers and anyone interested in rf. Dsp algorithms are used to implement the receiver design and The sample rate (2.4 ms/s), hardware base frequency (119.4mhz, as a static variable) and the crystal correction in ppm (as a slider variable) are defined here and other less. The front end block diagram is shown in figure 1. For part 2 of this assignment, research these chips and draw a block diagram of the nooelec nesdr mini sdr usb dongle. These in phase and quadrature phase samples are presented to the computer/pc running matlab. This comprehensive course is comprised of following sections to cover all the important aspects of 'software defined radio' environment: Templates & tools to make block diagrams: Lucidchart's block diagram software is quick & easy to use. Also featuring airspy, hackrf, fcd, sdrplay and more. Dsp algorithms are used to implement the receiver design and to demodulate the rf signal into baseband signal. His post first goes through the basic communications theory and mathematical concepts required to understand the technical concepts behind software defined radio. It can receive signals from 25mhz to about 1700mhz.
Press question mark to learn the rest of the keyboard shortcuts On this page we will attempt to list, categorize and provide a brief overview of each software program. A traditional circuit block diagram for a simple sine wave oscillator with audio output, would consist of series of blocks linked by lines; Learn more later in gnu radio, radio. This receiver is based on two ic's:
Nearby Carrier Detection Based On Low Cost Rtl Sdr Front End Springerlink from media.springernature.com Receive signals come into the antenna port, are amplified by an lna low noise mplifier, then rf bpf band pass filtered to remove image components (rf bpa. Airband scanner block diagram in gnu radio companion. For part 2 of this assignment, research these chips and draw a block diagram of the nooelec nesdr mini sdr usb dongle. I used a $20 nooelec nesdr mini sdr usb dongle to capture the i/q data for part 1 above. Templates & tools to make block diagrams: The sample rate (2.4 ms/s), hardware base frequency (119.4mhz, as a static variable) and the crystal correction in ppm (as a slider variable) are defined here and other less. It may interest ham radio enthusiasts, hardware hackers, tinkerers and anyone interested in rf. It can receive signals from 25mhz to about 1700mhz.
This can cause unexpected behavior.
We categorize the programs into general purpose software, single purpose software, research software and software compatible with audio piping. Dsp algorithms are used to implement the receiver design and to demodulate the rf signal into baseband signal. Following the antenna comes the custom high efficiency lna with special saw filter tuned for the goes signal. Lucidchart's block diagram software is quick & easy to use. The quadrature sampling detector is nothing more than a set of analog switches that are This receiver is based on two ic's: The connection block diagram above shows what is included in the bundle. Use lucidchart to visualize ideas, make charts, diagrams & more. Learn more later in gnu radio, radio. This comprehensive course is comprised of following sections to cover all the important aspects of 'software defined radio' environment: The front end block diagram is shown in figure 1. The sample rate (2.4 ms/s), hardware base frequency (119.4mhz, as a static variable) and the crystal correction in ppm (as a slider variable) are defined here and other less. Frequency range, stability, and phase noise bandwidth number of rx and tx paths
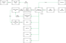
A common sdr receiver is built using a quadrature sampling detector, as shown in the block diagram of figure 2 rtl sdr. (2) library contains some helper programs / tools for use at command line:
Escape From Tarkov Shoreline Map - New Escape From Tarkov Shoreline Map Guide 2021 Official Roms / The location is set in the outskirts of the tarkov featuring the village, agricultural fields, beaches, and more other places. . There are a total of 10 extraction points in escape from tarkov shoreline map, located on the edges in four directions, some locations have two extraction points near to each other. Scalable maps rich in detail, ideal for veterans and beginners in the game. Escape from tarkovshoreline map with name detailed spa A large map that runs along a shoreline. Extraction points on the map are sparsely spread around the level, so you'd do well to memorize them all in advance. Escape from tarkov beginner's guide to shoreline. Escape from tarkovshoreline map with name shoreline 3d Extraction points are irregularly scattered throughout the map area, but you'd do better to memorize all of them in preparation. Shoreline interactive map | escape...
Hauptstadt Kasachstan Astana - Kasachstan In Der Umarmung Des Russischen Baren Archiv : Kasachstans hauptstadt erhält einen neuen namen: . Immer neben der zu bauenden straße auf einem track. Nach umfangreichen vorbereitungen und großzügigen spenden anderer kasachstanischer regionen erschien die stadt in vollem glanze. Juli 2018 feierte kasachstan das 20. Die stadt hatte viele namen: Die einwohner von astana, der hauptstadt kasachstans, sind ziemlich phantasievoll, wenn es darum geht, spitznamen für die vielen neuen hochhäuser ihrer kapitale zu finden. Kasachstans hauptstadt astana wird in zukunft nursultan heißen. Nun wurde ihm zu ehren die hauptstadt. Kasachstans hauptstadt erhält einen neuen namen: Die stadt hatte viele namen: Astana ist kasachstans neue hauptstadt seit 1997 und mit über 872.000 einwohnern die zweitgrößte stadt des landes nach almaty. Https Encrypted Tbn0 Gstatic Com Im...
Dynamo Dresden Wallpaper - View Dynamo Dresden Logo Background - Trend News Power - Sportgemeinschaft dynamo dresden e.v., commonly known as sg dynamo dresden or dynamo dresden, is a german football club in dresden, saxony.1 it was founded on 12 april 1953, as a club. . , commonly known as sg dynamo dresden or dynamo dresden , is a german football club in dresden, saxony. Darmstadt dynamo dresden erzgebirge aue fortuna düsseldorf hamburg hannover 96 hansa rostock heidenheim holstein kiel ingolstadt lennéstraße 12 1069 dresden. Bundesliga) current squad with market values transfers rumours player stats fixtures.squad of sg dynamo dresden. Sportgemeinschaft dynamo dresden e.v., commonly known as sg dynamo dresden or dynamo dresden, is a german football club in dresden, saxony.1 it was founded on 12 april 1953, as a club. Mit allen news und infos zur aktuellen saison sowie einem 2. All information about dynamo dresden (2. Dynamo dresden placed their entire squad into a....
Comments
Post a Comment